Siimet T294-12
Nettó ár
Nyomtatás
INFÓ
Termékcsalád
Mélybölcsős félpótkocsik
Márka / modell
Siimet T294-12
Gyártási év
1989
Telephely
Lahti
Ország
Finnország
Mascus ID
414C4C58
ÁR
Pénznem kijelölése
TERMÉKLEÍRÁS
Regisztrációs szám
PNU-719
Egyéb információ
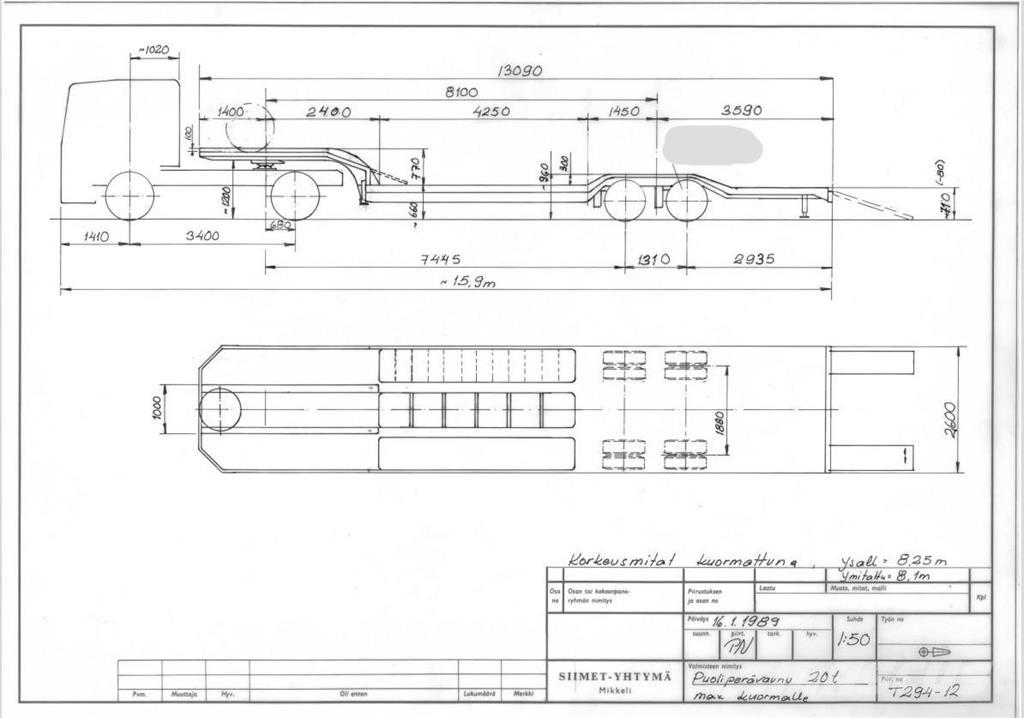
2-Akselinen vahva lavetti
SIIMET T294-12
2-akselinen
Ilmajousitus
Mittapiirrokset kuvissa
Leveys levikepaloilla 298cm
Omapaino 4750kg
Kantavuus n. 20000kg
Katsastus voimassa 5-2025
Katsastus sovittavissa
Kuljetus sovittavissa
Sijainti Ilmajoki
Lisätiedot
Vesa Nurmi
0400583553
Machinecars
Lintulaaksontie 15 15540 Villähde Päijät-Häme Finnország
4
éve a Mascus ügyfeleEmail értesítések
